Description
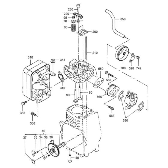
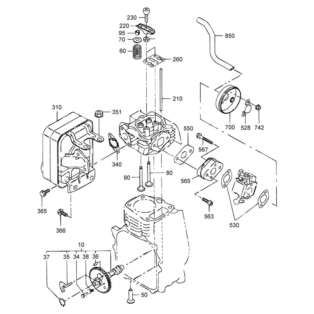
The Muffler Assembly for the Wacker BS500-4 Trench Rammer is designed to reduce noise and emissions, ensuring efficient operation. This assembly includes components like the muffler body, gaskets, and mounting hardware, essential for maintaining optimal performance. Genuine Wacker Neuson parts ensure compatibility and reliability for your trench rammer.
Reviews
Add a review
Write Your Own Review
Ask a Question
Customer Questions

