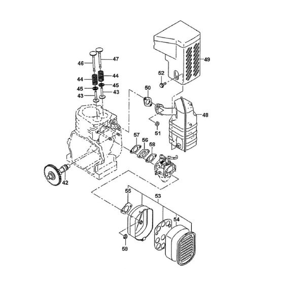
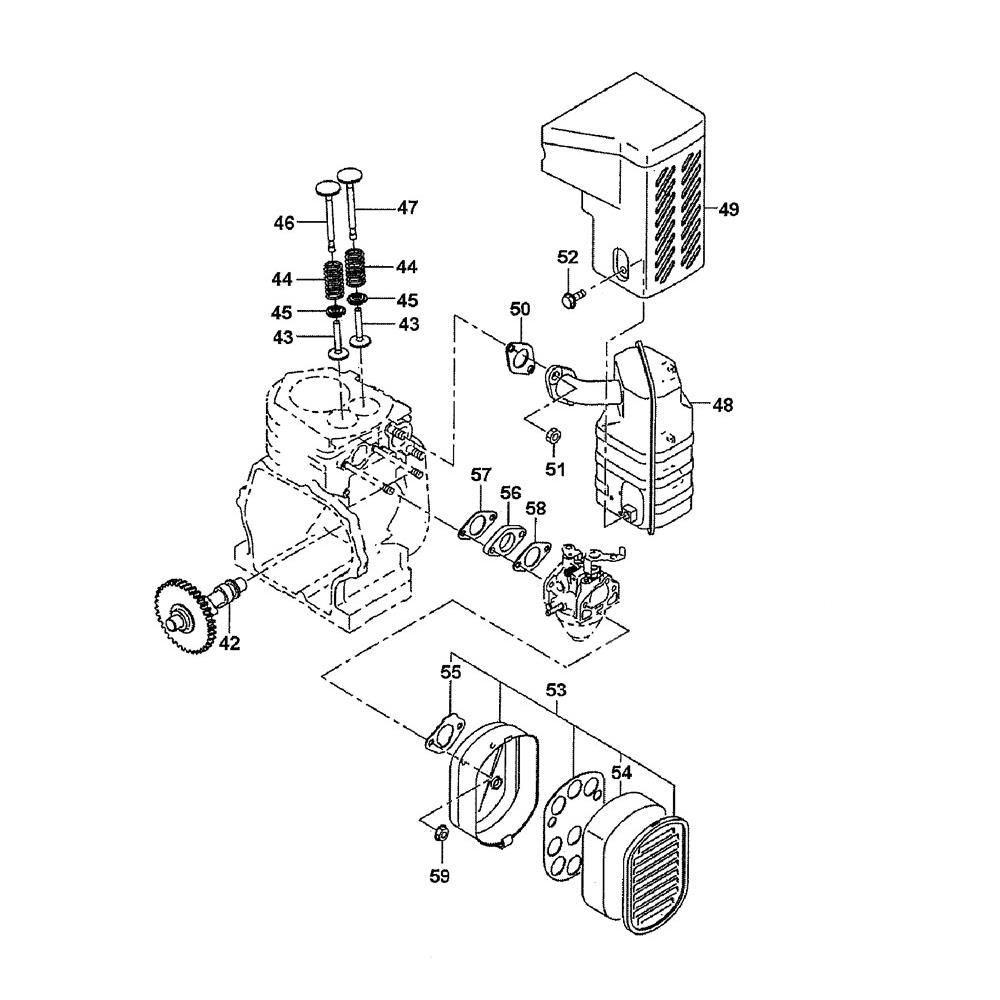
Description
The Muffler, Exhaust Assembly for the Makita EW200R Water Pump is designed to manage exhaust emissions and reduce noise levels, ensuring efficient operation. This assembly includes components such as mufflers, pipes, and gaskets, which are essential for maintaining optimal performance and prolonging the lifespan of the water pump. Available in genuine and non-genuine parts.
Reviews
Add a review
Write Your Own Review
Ask a Question
Customer Questions

