Description
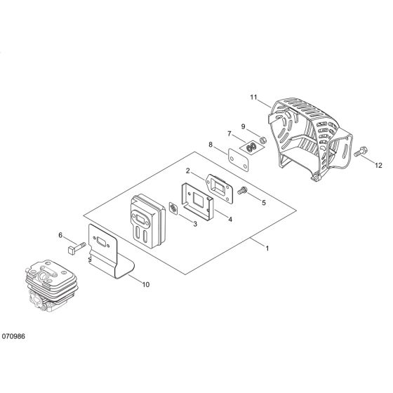
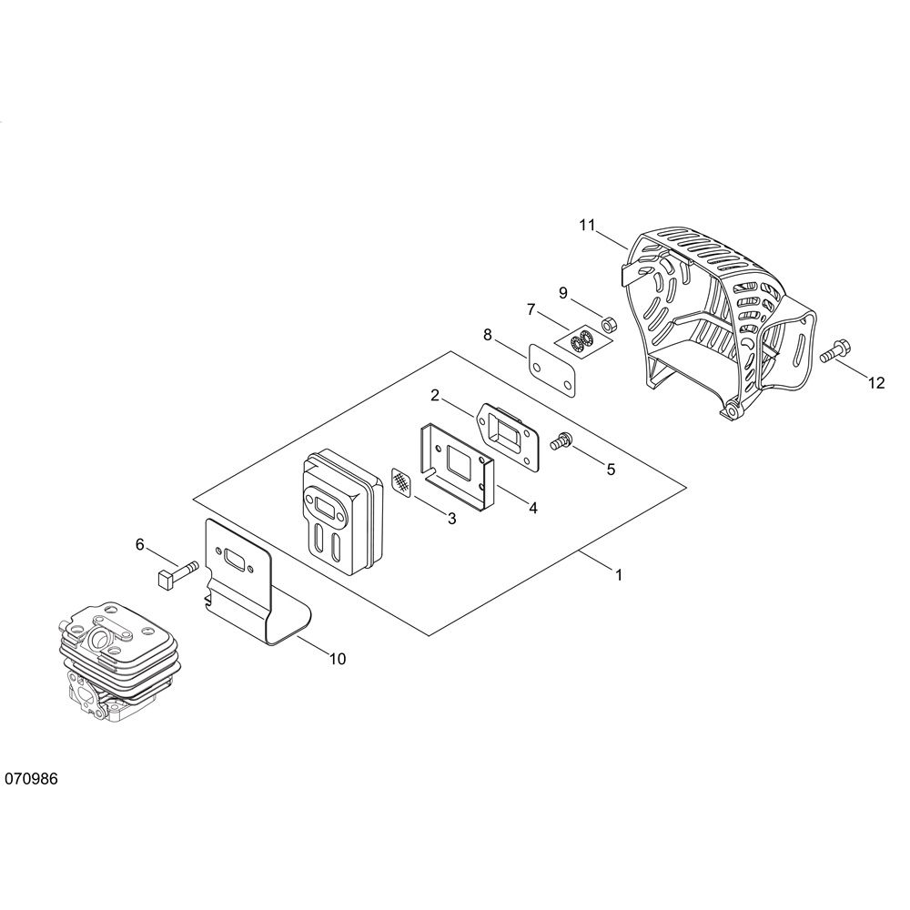
The muffler for the ECHO PAS-265ES Multi-Tool Power Unit is designed to reduce noise and emissions, ensuring optimal performance and compliance with environmental standards. This component is crucial for maintaining the efficiency and longevity of the power unit. Available in both genuine and non-genuine parts, it fits seamlessly into the existing setup, providing reliable operation.
Reviews
Add a review
Write Your Own Review
Ask a Question
Customer Questions

