Description
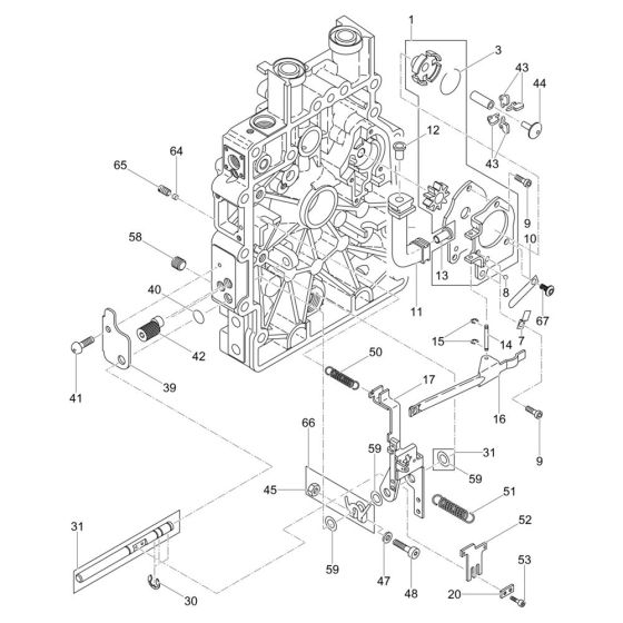
The Oil Pump Assembly for the Wacker DPS2050H Plate Compactor is crucial for maintaining optimal machine performance. It ensures efficient lubrication of internal components, reducing wear and extending the lifespan of the compactor. This assembly includes essential parts such as gears, seals, and housings, designed to fit seamlessly with the Wacker Neuson model. Regular maintenance with genuine parts helps ensure reliable operation.
Reviews
Add a review
Write Your Own Review
Ask a Question
Customer Questions

