Description
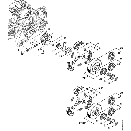
The Oil Pump & Clutch Assembly for Stihl MS362 and MS362C Chainsaws ensures efficient lubrication and power transfer. Essential for maintaining optimal performance, the assembly includes components like the oil pump, clutch drum, and springs. These parts work together to deliver oil to the chain and manage engine power. Available in genuine and non-genuine options, they support reliable chainsaw operation.
Reviews
Add a review
Write Your Own Review
Ask a Question
Customer Questions

