Description
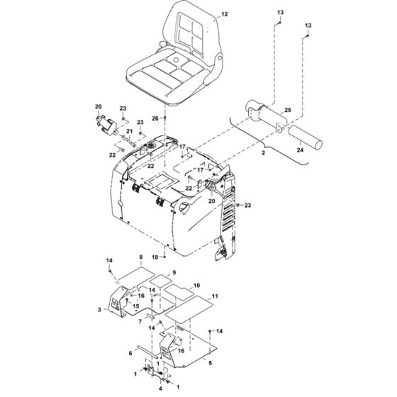
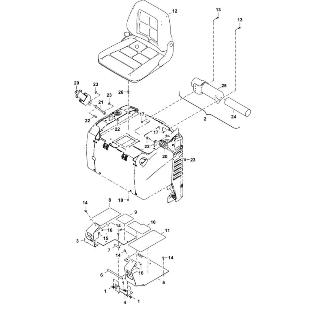
The Operator CAB (Seat) Assembly for BobCat E10 Mini Excavators is designed to enhance operator comfort and safety. This assembly includes components such as seats, levers, and control panels, ensuring optimal functionality and ease of use. Suitable for models with serial numbers A33P11001 to A33P17234, it offers both genuine and non-genuine parts for maintenance and repair.
Reviews
Add a review
Write Your Own Review
Ask a Question
Customer Questions

