Description
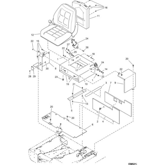
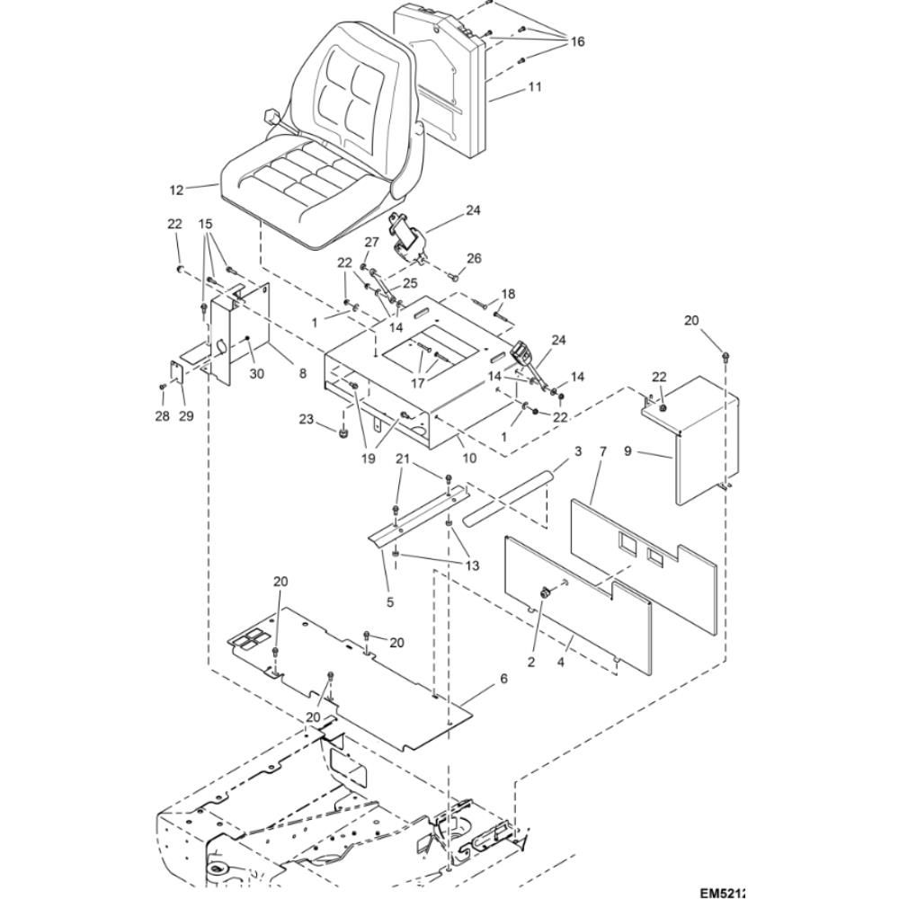
The Operator Seat Assembly for BobCat E14 Mini Excavators ensures comfort and control for operators. Designed for models with serial numbers AHNM11001 and above, it includes essential components for seat adjustment and stability. Suitable for both genuine and non-genuine parts, this assembly supports efficient operation and maintenance.
Reviews
Add a review
Write Your Own Review
Ask a Question
Customer Questions

