Description
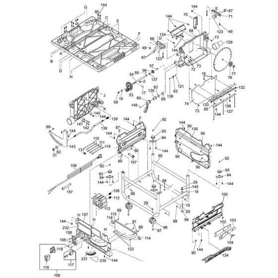
The Panel Assembly for the DeWalt DW745 Type 3 Table Saw is a genuine DeWalt part designed to ensure optimal performance and longevity. This assembly includes key components such as panels, brackets, and fasteners, essential for maintaining the structural integrity and functionality of the table saw. Ideal for routine maintenance and repairs, it helps keep your equipment running smoothly.
Reviews
Add a review
Write Your Own Review
Ask a Question
Customer Questions

