Description
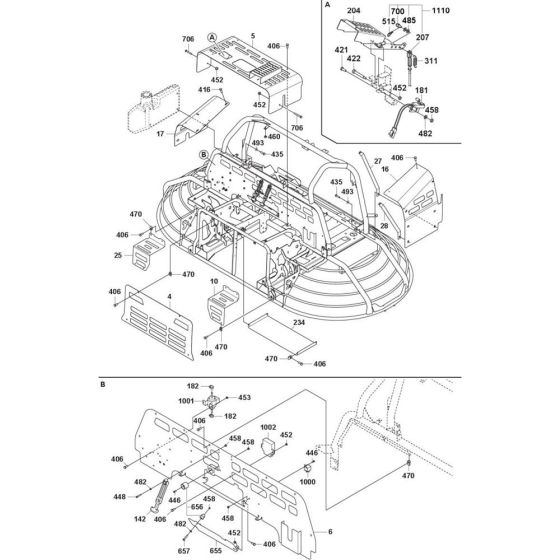
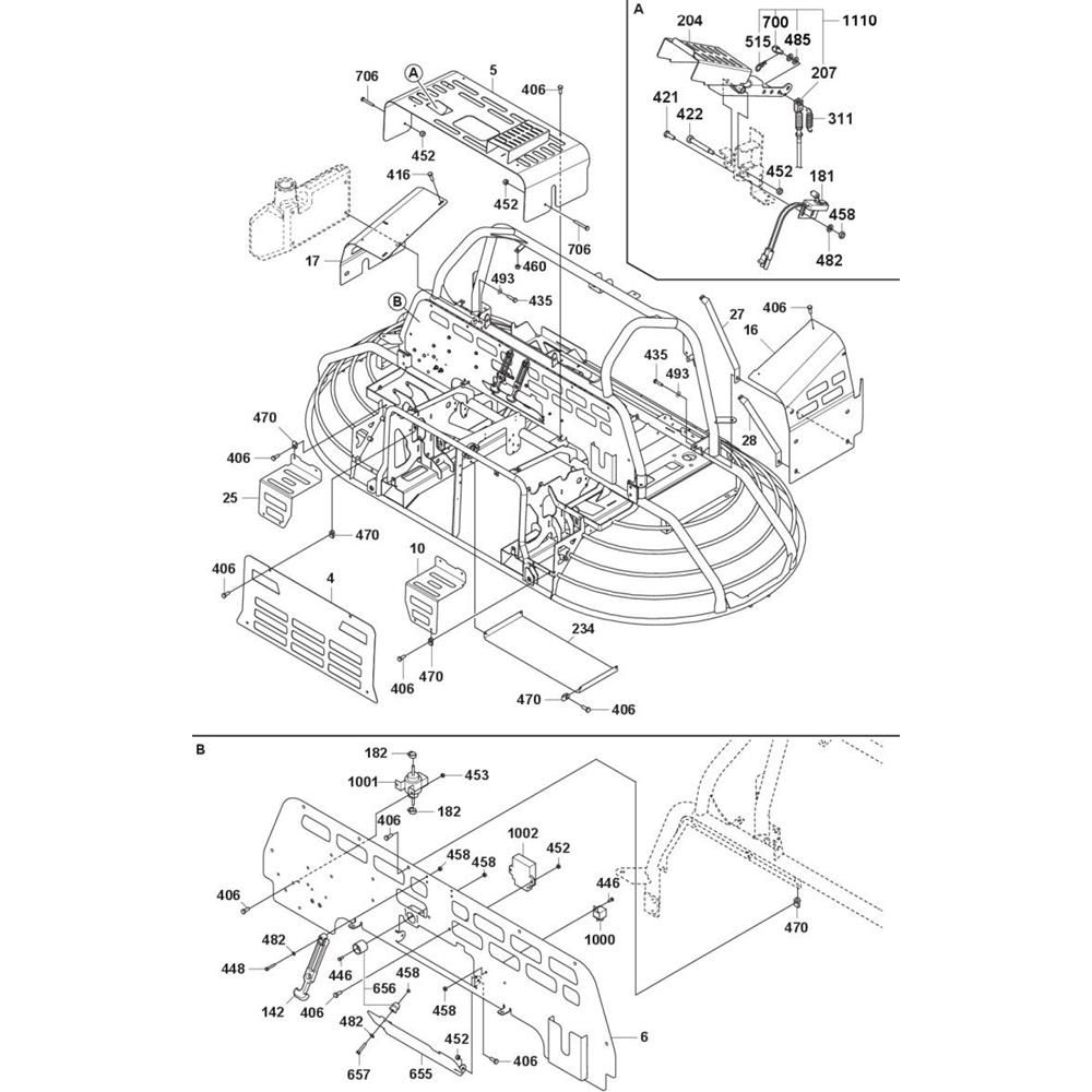
The Panel Assembly for the Husqvarna CRT 48 Diesel Trowel includes key components designed to ensure optimal performance and durability. This assembly is crucial for maintaining the structural integrity and functionality of the ride-on trowel. Genuine parts available include panels, brackets, fasteners, and seals, all tailored to fit the Husqvarna CRT 48 model.
Reviews
Add a review
Write Your Own Review
Ask a Question
Customer Questions

