Description
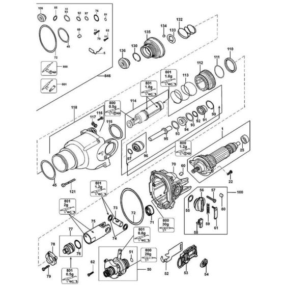
The Piston Assembly for the DeWalt D25103K Type 4 Rotary Hammer is crucial for maintaining the tool's performance and longevity. This assembly includes components such as pistons, rings, and seals, ensuring efficient operation and power delivery. Available in both genuine and non-genuine DeWalt parts, it supports effective repair and maintenance.
Reviews
Add a review
Write Your Own Review
Ask a Question
Customer Questions

