Description
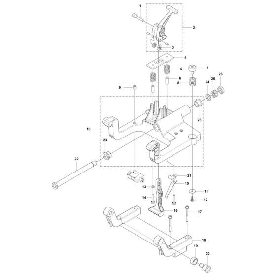
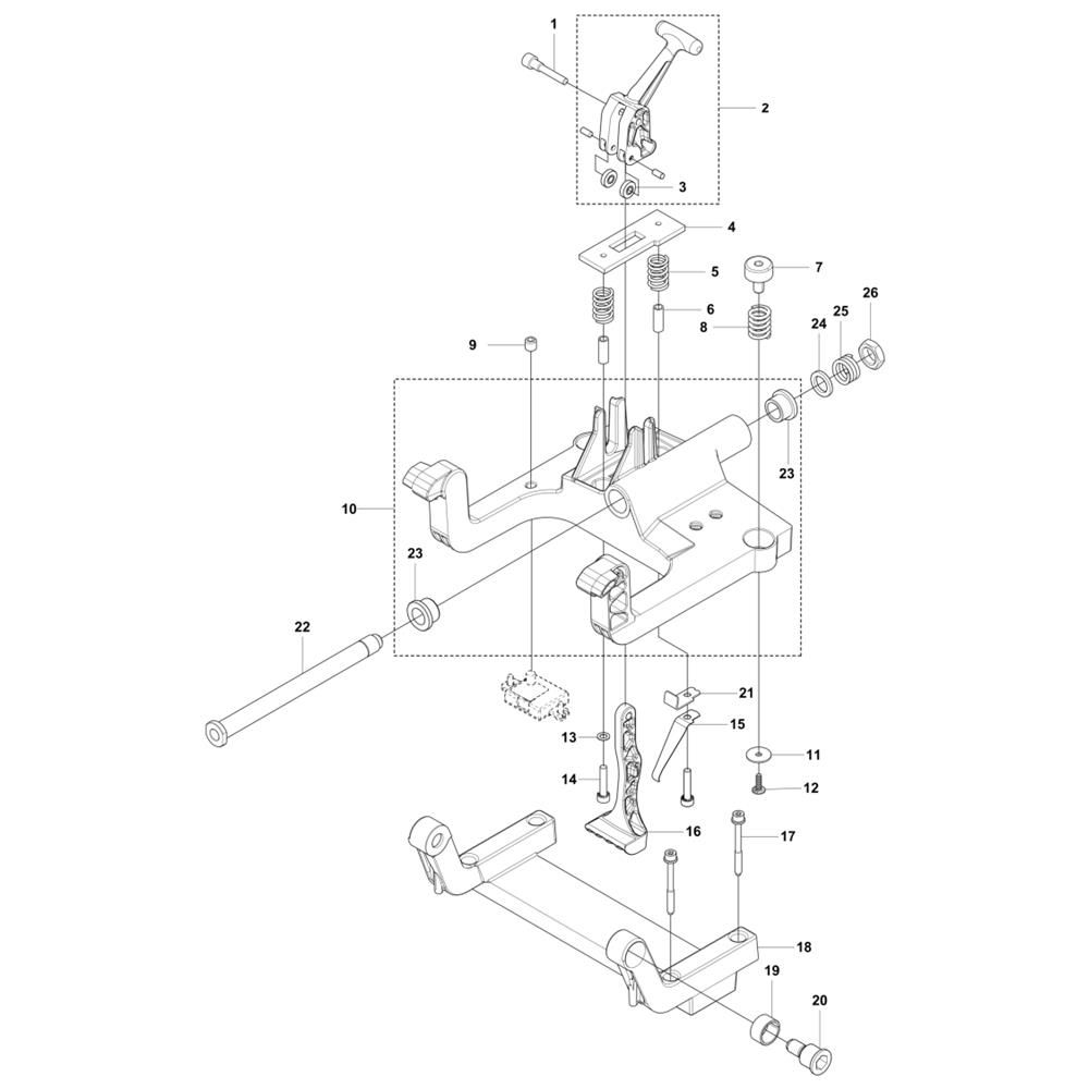
The Pivoting Arm for the Husqvarna RZ-43L Robotic Mower is a crucial component designed to ensure smooth operation and manoeuvrability. This genuine Husqvarna part helps maintain the mower's efficiency and performance by allowing precise movement and control. Essential for routine maintenance, it supports the mower's ability to navigate complex terrains.
Reviews
Add a review
Write Your Own Review
Ask a Question
Customer Questions

