Description
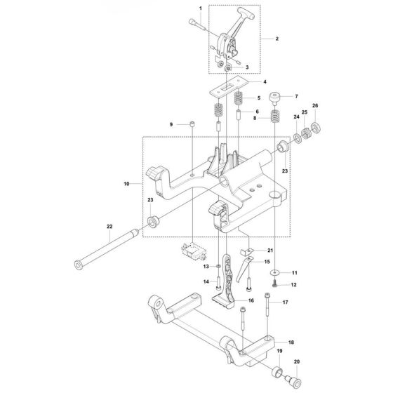
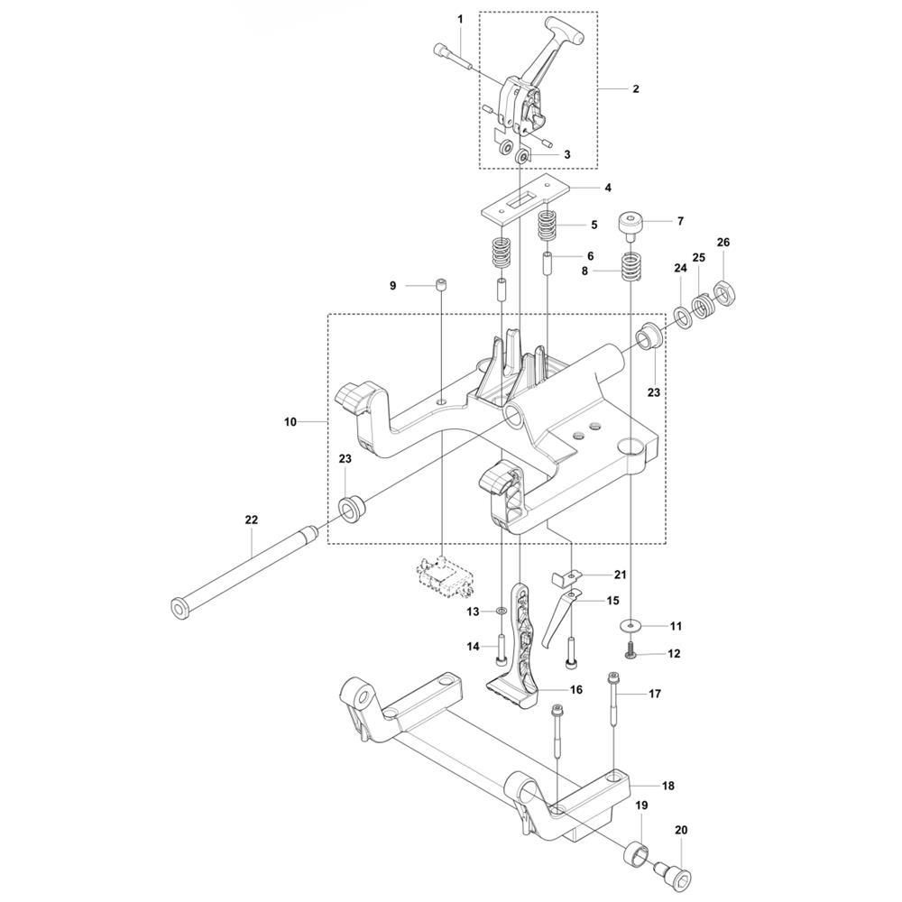
The Pivoting Arm for the Husqvarna RZ-43M Robotic Mower is a crucial component ensuring smooth operation and manoeuvrability. Designed to fit the Husqvarna RZ-43M model, this genuine part helps maintain the mower's efficiency and longevity. Regular checks and replacements can prevent wear and tear, ensuring optimal performance.
Reviews
Add a review
Write Your Own Review
Ask a Question
Customer Questions

