Description
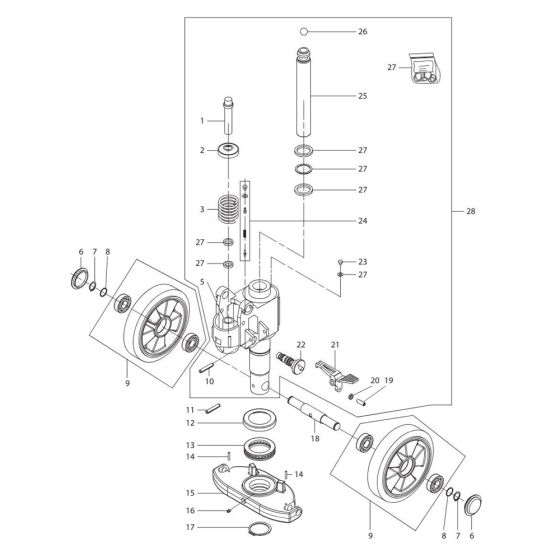
The Pump Assembly for the TRP0007 Pallet Truck is designed to ensure efficient lifting and lowering operations. This assembly includes key components such as seals, valves, and pistons, which work together to maintain optimal hydraulic performance. Regular maintenance and replacement of these parts can help extend the lifespan of your pallet truck and ensure smooth operation in demanding environments.
Reviews
Add a review
Write Your Own Review
Ask a Question
Customer Questions

