Description
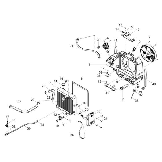
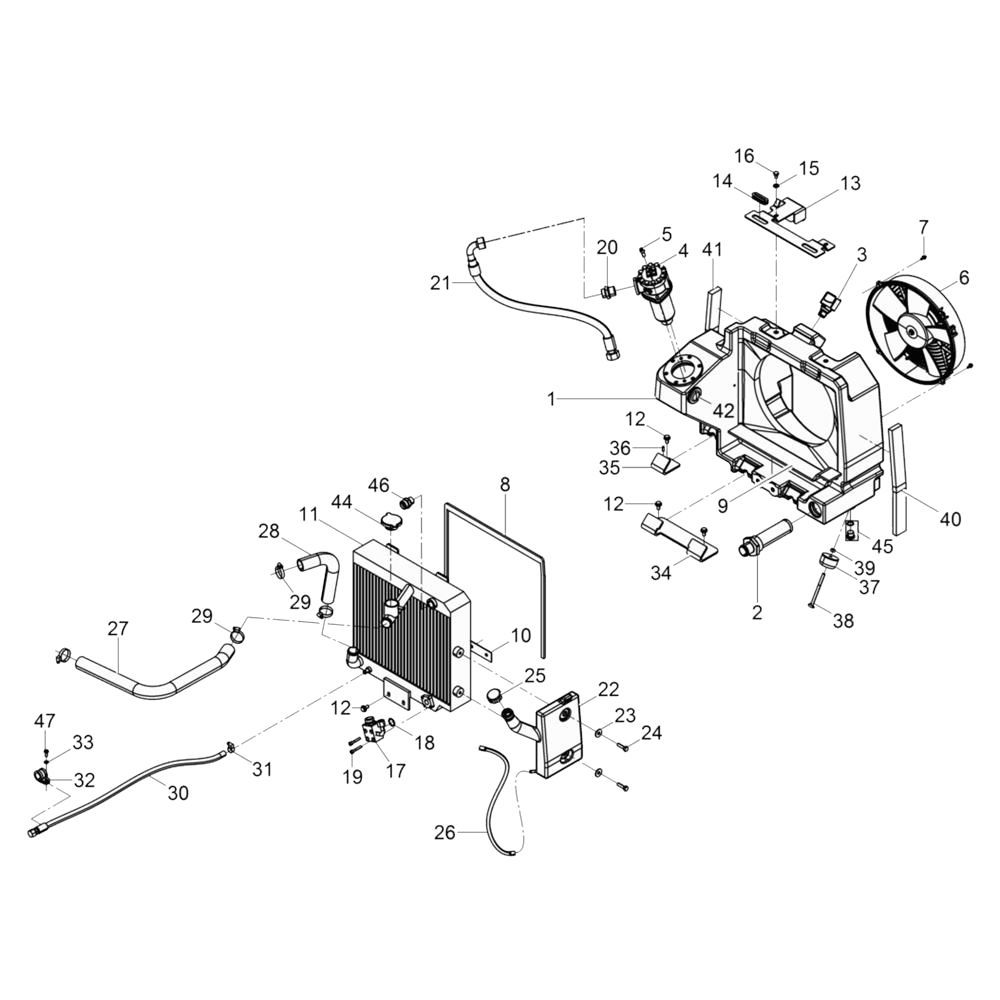
The Radiator Assembly for the Wacker DPU110 Plate Compactor is essential for maintaining optimal engine temperature and performance. This assembly includes components such as hoses, clamps, and seals, designed to ensure efficient cooling and prevent overheating. Genuine Wacker Neuson parts guarantee compatibility and reliability for your compactor.
Reviews
Add a review
Write Your Own Review
Ask a Question
Customer Questions

