Description
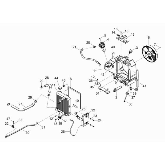
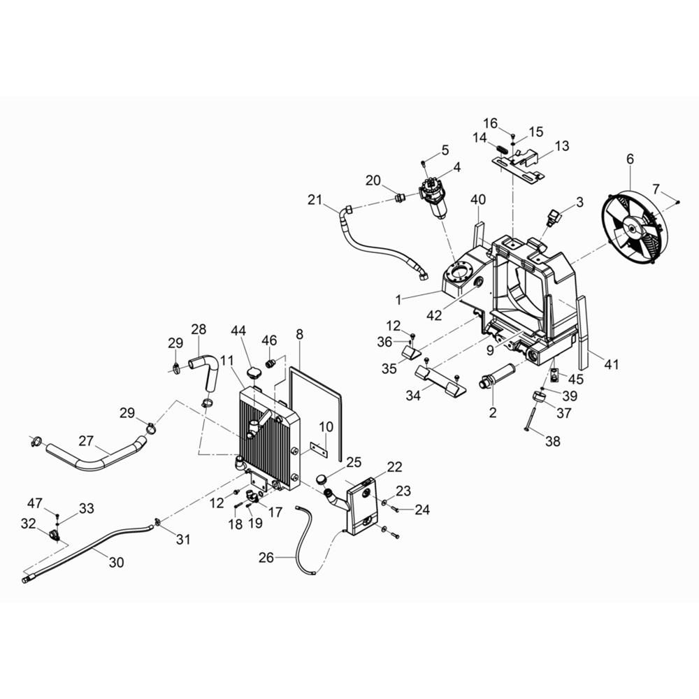
The Radiator Assembly for the Wacker DPU80 Plate Compactor is essential for maintaining optimal engine temperature during operation. This assembly ensures efficient cooling, preventing overheating and extending the machine's lifespan. Components include hoses, clamps, and seals, all designed to fit the Wacker Neuson Reversible Plate Compactor.
Reviews
Add a review
Write Your Own Review
Ask a Question
Customer Questions

