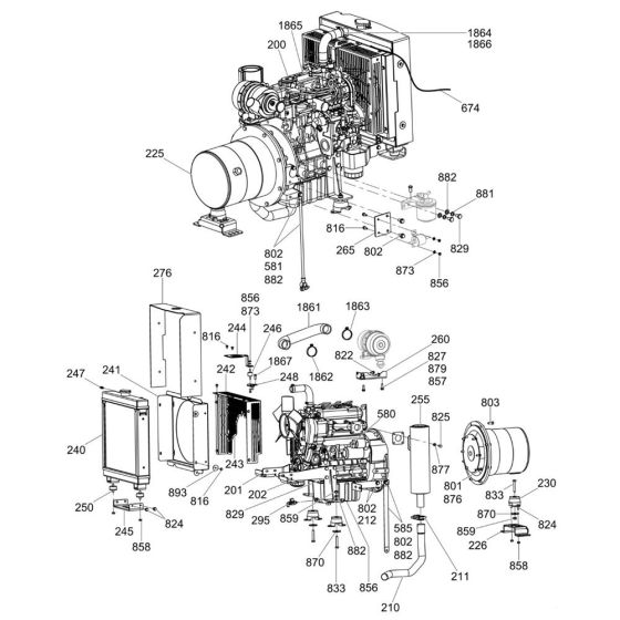
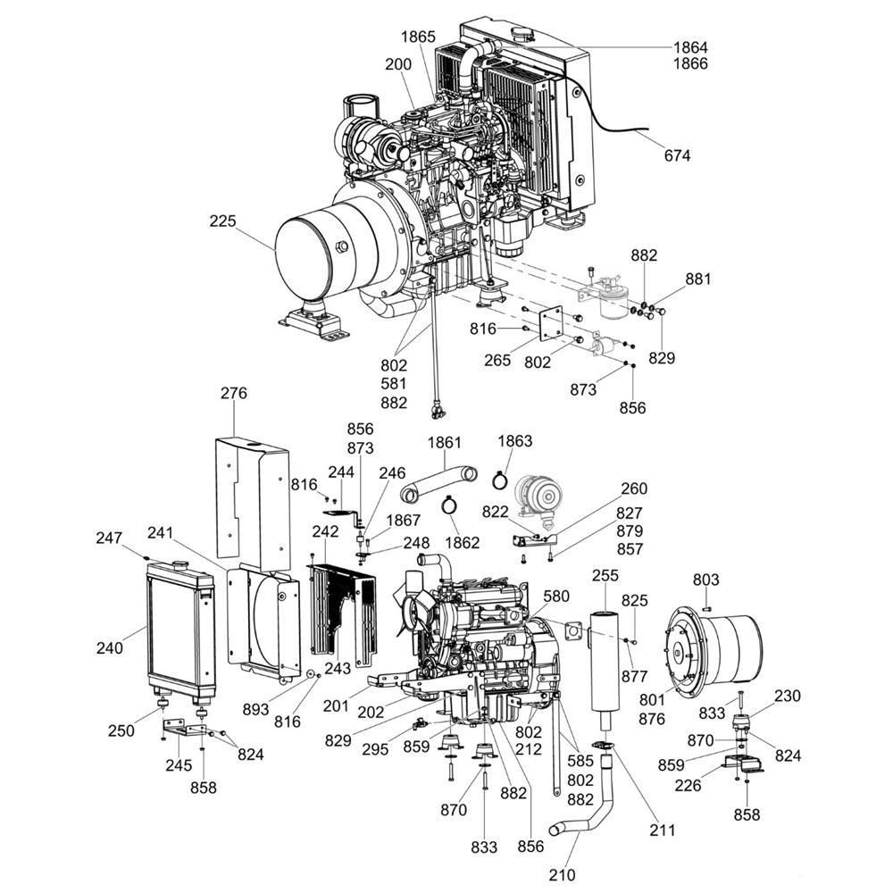
Description
The Radiator (D1005) Assembly for the Wacker Neuson LTV6K Lighting Tower is designed to ensure optimal cooling performance and reliability. This assembly includes components essential for maintaining the lighting tower's efficiency, such as hoses, clamps, and seals. Regular maintenance of these parts helps prevent overheating and prolongs the lifespan of the equipment.
Reviews
Add a review
Write Your Own Review
Ask a Question
Customer Questions

