Description
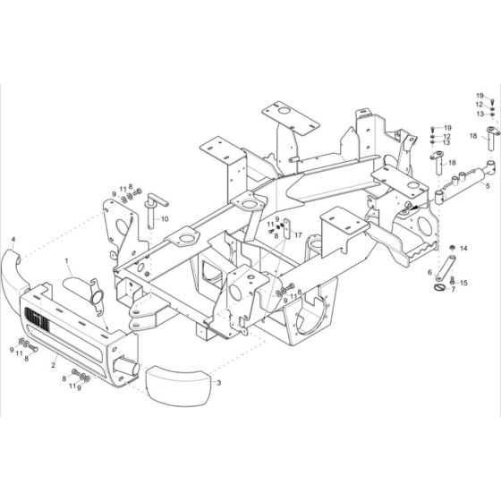
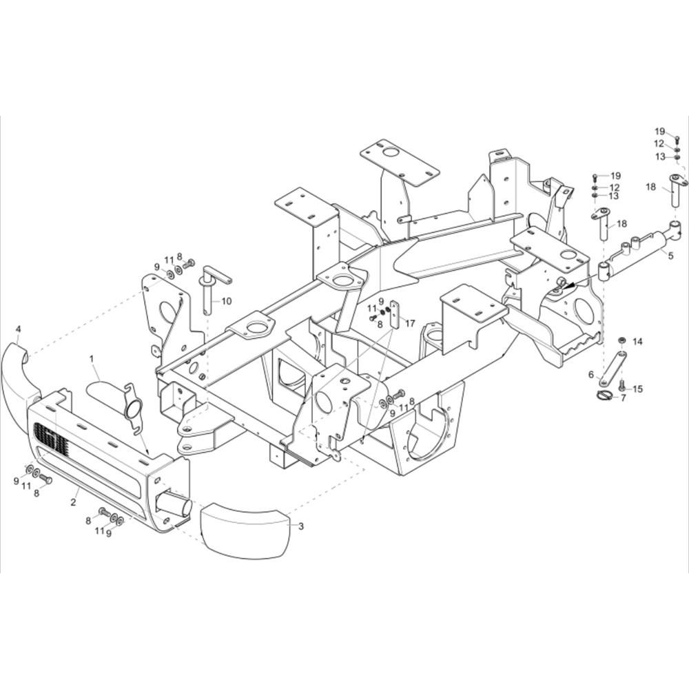
The Rear Frame Assembly for the Wacker 1001 Dumper is designed to support the machine's structure and ensure stability during operation. This assembly includes various components such as brackets, mounts, and connectors, all crucial for maintaining the dumper's integrity and performance. Suitable for routine maintenance and repairs, it helps in extending the service life of the equipment.
Reviews
Add a review
Write Your Own Review
Ask a Question
Customer Questions

