Description
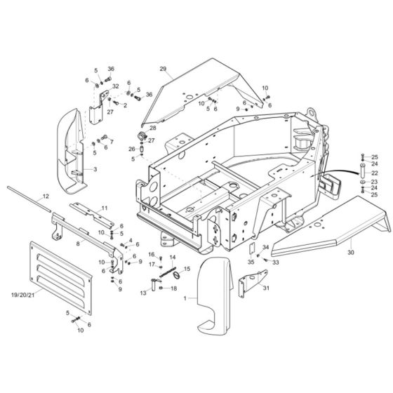
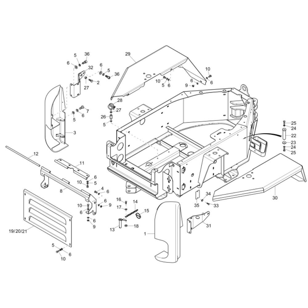
The Rear Frame Assembly for the Wacker 5001 Dumper is crucial for maintaining the structural integrity and functionality of the machine. This assembly includes components such as brackets, mounts, and supports, ensuring the dumper operates smoothly and safely. Designed for durability, it withstands the demands of heavy-duty construction environments, providing reliable performance over time.
Reviews
Add a review
Write Your Own Review
Ask a Question
Customer Questions

