Description
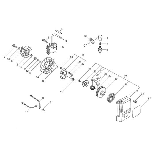
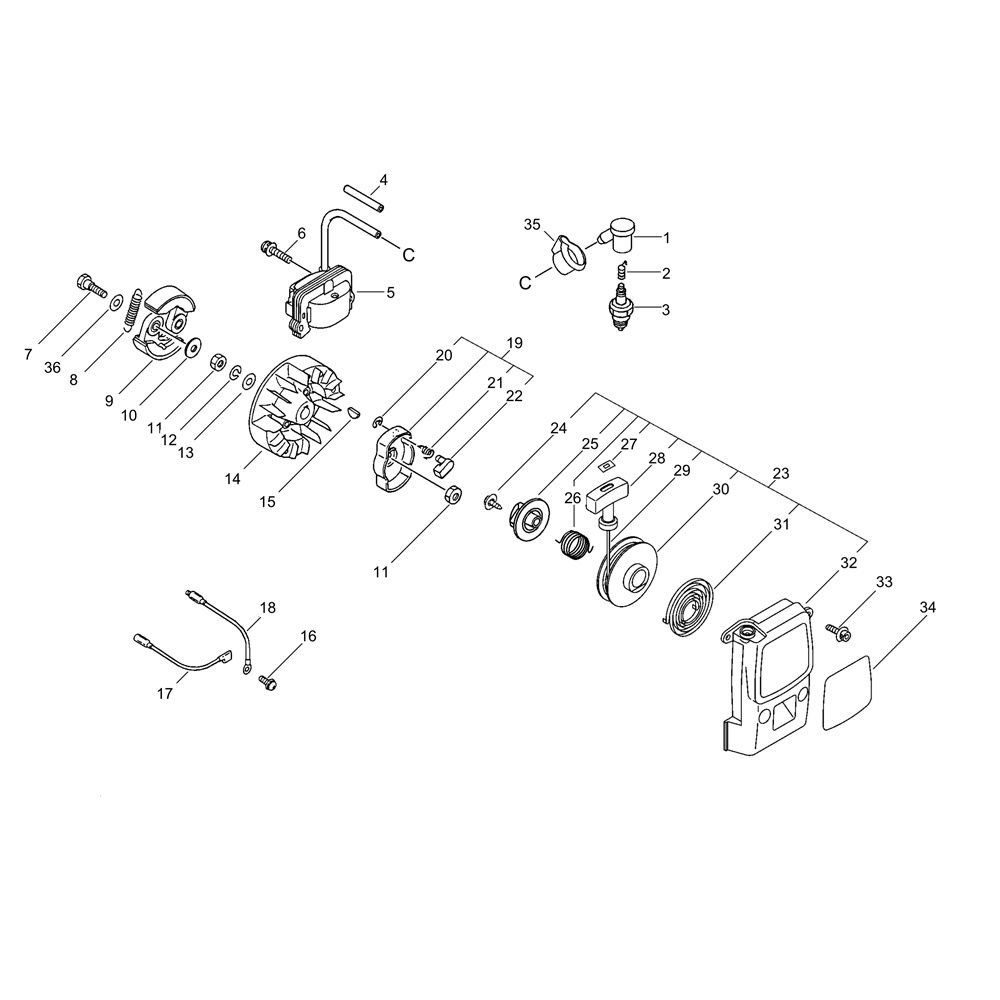
The Recoil Starter and Magneto for the ECHO SRM-335TES/L Brushcutter are essential for reliable operation. The recoil starter ensures easy engine ignition, while the magneto provides necessary electrical power. These components are crucial for maintaining the performance and efficiency of your brushcutter. Available in genuine and non-genuine parts to suit various needs.
Reviews
Add a review
Write Your Own Review
Ask a Question
Customer Questions

