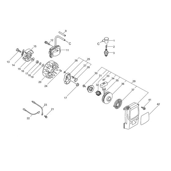
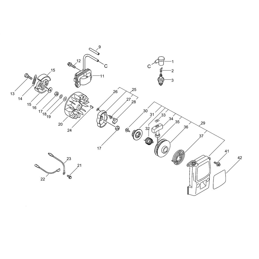
Description
The Recoil Starter and Magneto for the ECHO SRM-350ES/L Brushcutter are crucial for reliable engine ignition and operation. These components ensure efficient starting and consistent performance. The assembly includes parts like springs, pulleys, and ignition coils, designed to maintain the brushcutter's functionality. Available in genuine and non-genuine options.
Reviews
Add a review
Write Your Own Review
Ask a Question
Customer Questions

