Description
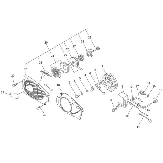
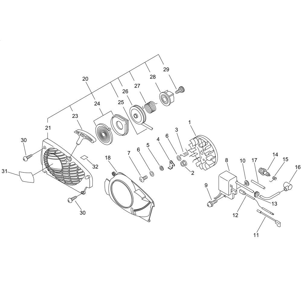
The Recoil Starter and Magneto for the Shindaiwa 320TS Chainsaw are crucial for reliable engine ignition and operation. These components ensure efficient starting and consistent performance. The assembly includes parts such as springs, pulleys, and ignition coils, available in both genuine and non-genuine options. Designed for easy maintenance and replacement, they help maintain the chainsaw's functionality.
Reviews
Add a review
Write Your Own Review
Ask a Question
Customer Questions

