Description
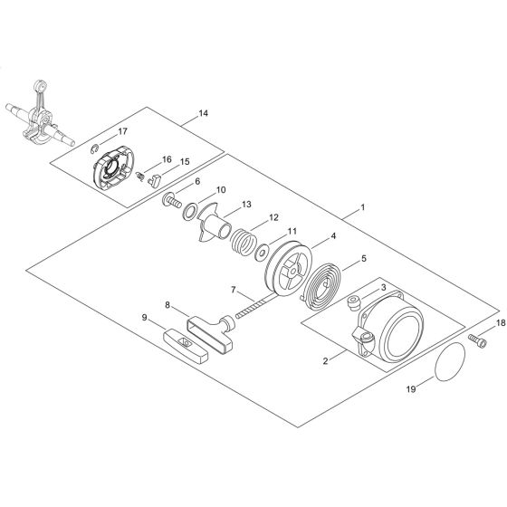
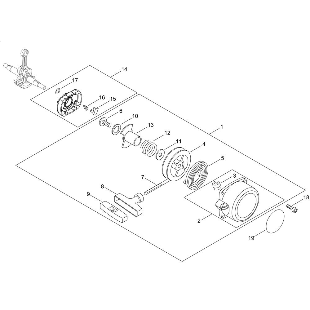
The Recoil Starter and Pulley for the ECHO PB-770 Backpack Blower are essential components for ensuring reliable engine starting. These parts are available in both genuine and non-genuine options, providing flexibility for maintenance and repair needs. Designed to fit the PB-770 model, they help maintain optimal performance and longevity of the blower.
Reviews
Add a review
Write Your Own Review
Ask a Question
Customer Questions

