Description
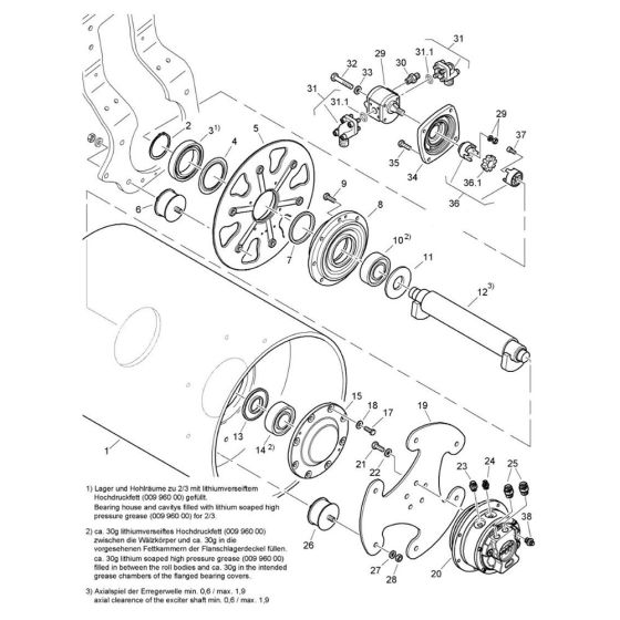
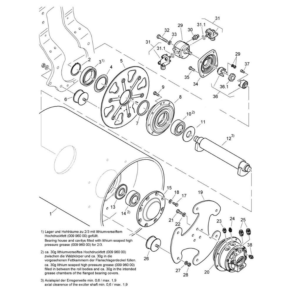
The Roller Drum Assembly for the Bomag BW 120 AD-5 CC Roller is crucial for maintaining optimal performance and efficiency. This assembly includes key components such as drums, bearings, and seals, ensuring smooth operation and effective compaction. Designed for durability and reliability, it supports the roller's function in construction and roadworks.
Reviews
Add a review
Write Your Own Review
Ask a Question
Customer Questions

