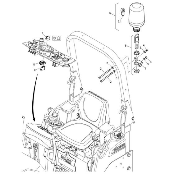
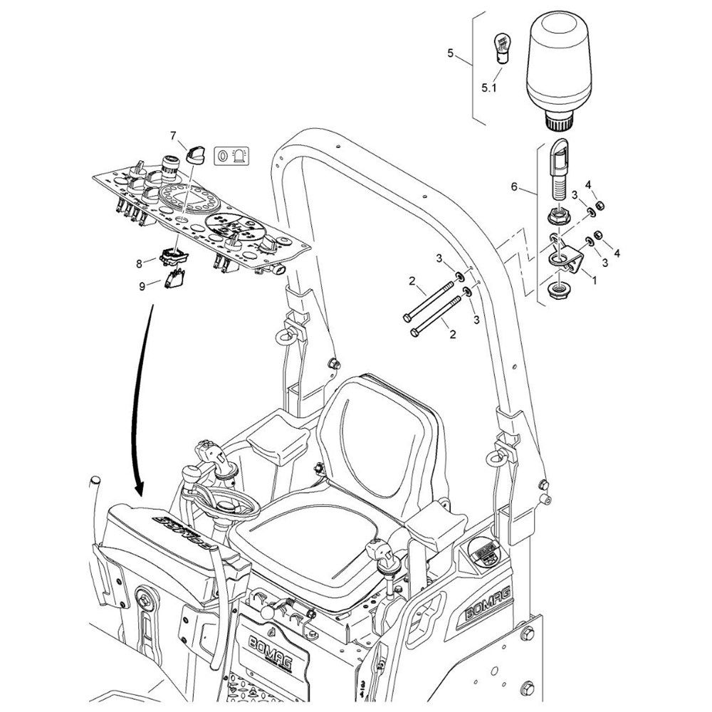
Description
The Rotary Beacon Assembly for the Bomag BW 120 AD-5 CC Roller is designed to enhance visibility and safety during operation. This assembly includes components such as the beacon light, mounting brackets, and wiring harness, ensuring reliable performance. Essential for maintaining compliance with safety standards, it is suitable for use in various construction and roadwork environments.
Reviews
Add a review
Write Your Own Review
Ask a Question
Customer Questions

