Description
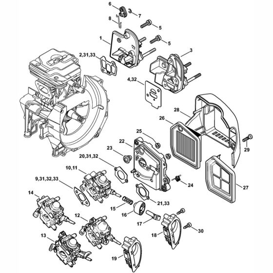
The Spacer Flange Air Filter Assembly for Stihl FR410C and FR460TC Backpack Brushcutters ensures optimal engine performance by providing clean airflow. This assembly includes components such as spacers, flanges, and filters, designed to protect the engine from dust and debris. Suitable for routine maintenance and repair, it helps extend the service life of your brushcutter.
Reviews
Add a review
Write Your Own Review
Ask a Question
Customer Questions

