Description
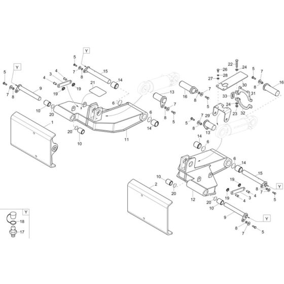
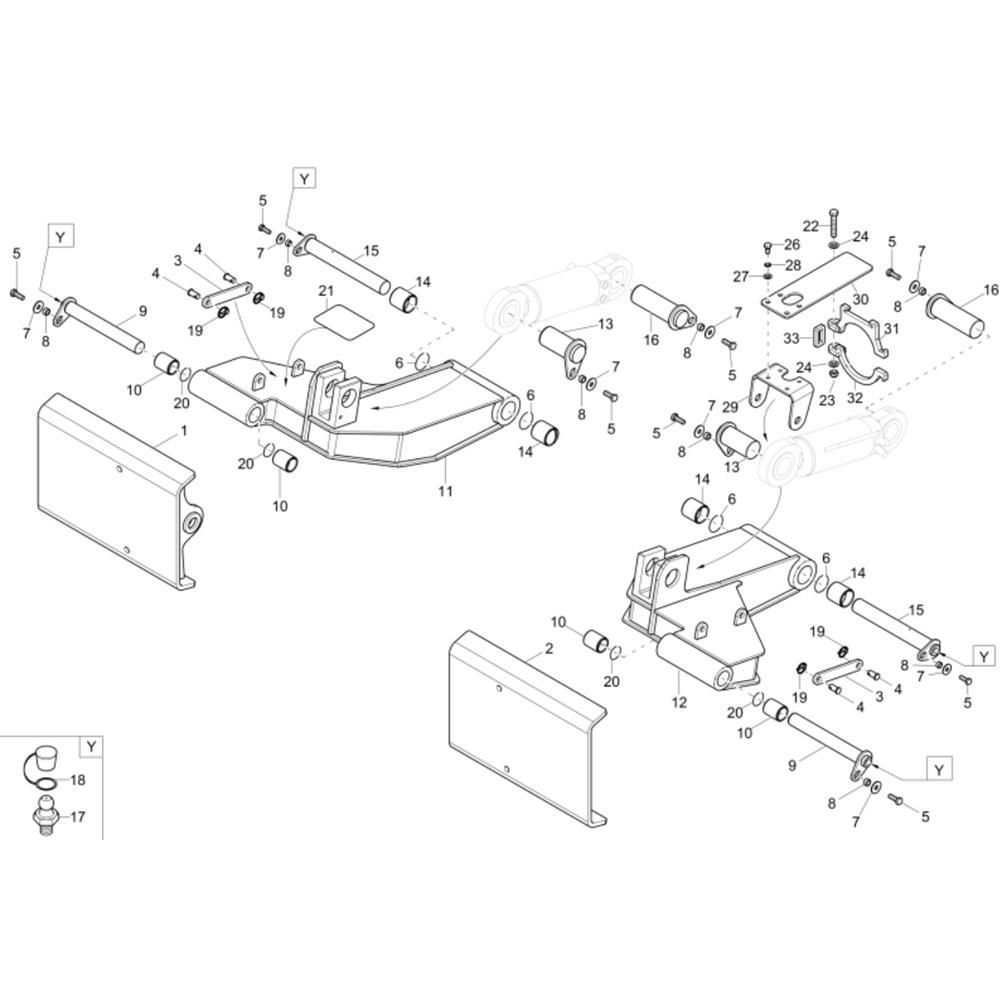
The Stabiliser (Rear) Assembly for the Wacker EW100 Excavator is essential for maintaining stability during operation. This assembly includes key components such as brackets, pins, and hydraulic cylinders, ensuring the excavator remains balanced and secure. Designed for durability and compatibility with the Wacker Neuson model, it supports efficient excavation tasks.
Reviews
Add a review
Write Your Own Review
Ask a Question
Customer Questions

