Description
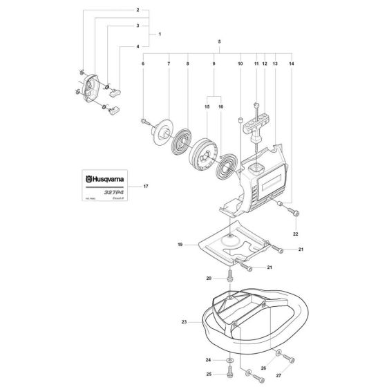
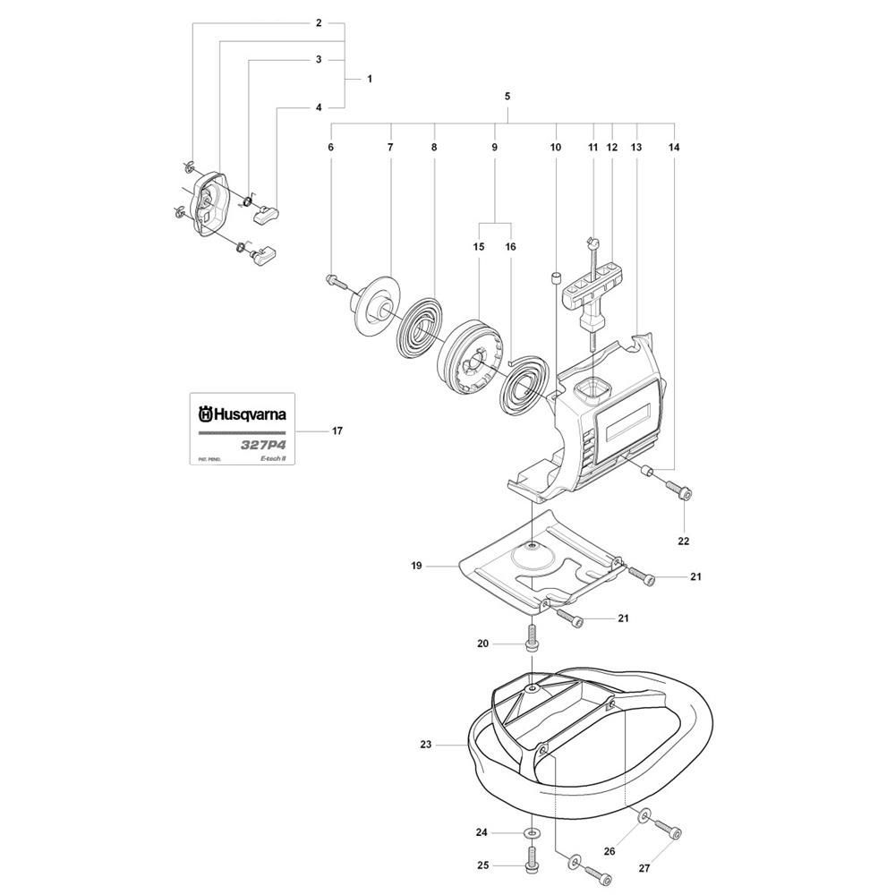
The Starter (Easy Start) Assembly for the Husqvarna 327P4 Pole Pruner ensures efficient engine ignition and smooth operation. This assembly includes components like the recoil spring, starter rope, and pulley, designed to facilitate easy starting and reliable performance. Essential for maintaining the functionality of your pole pruner, these genuine Husqvarna parts help extend the life of your equipment.
Reviews
Add a review
Write Your Own Review
Ask a Question
Customer Questions

