Description
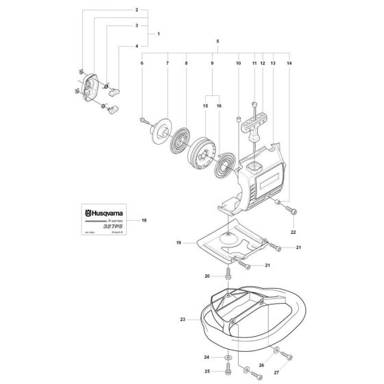
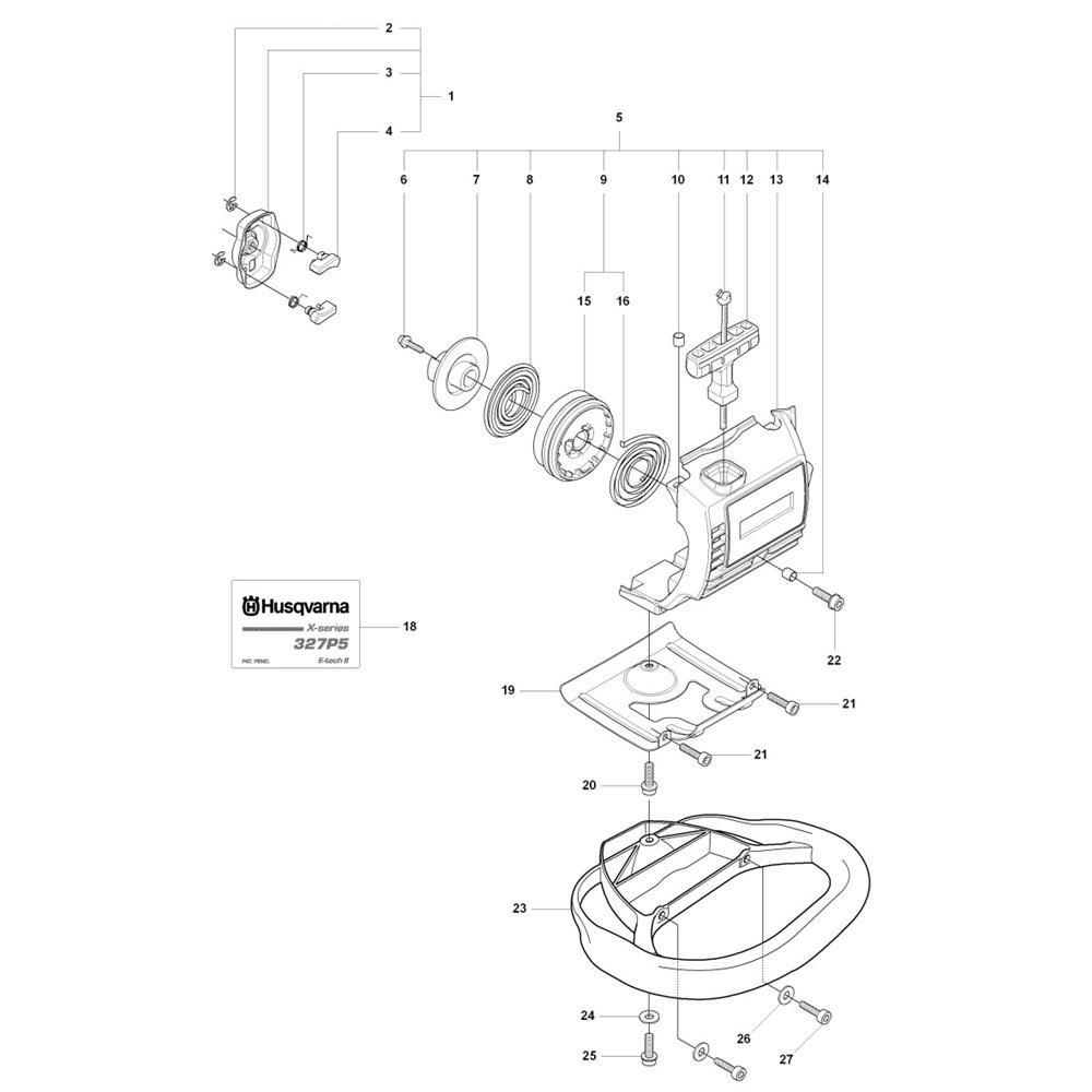
The Starter (Easy Start) Assembly for the Husqvarna 327P5x Pole Pruner ensures efficient engine ignition and reliable performance. This assembly includes key components such as the recoil spring, starter rope, and housing, designed to facilitate easy starting and reduce user effort. Genuine Husqvarna parts guarantee compatibility and durability for your pole pruner.
Reviews
Add a review
Write Your Own Review
Ask a Question
Customer Questions

