Description
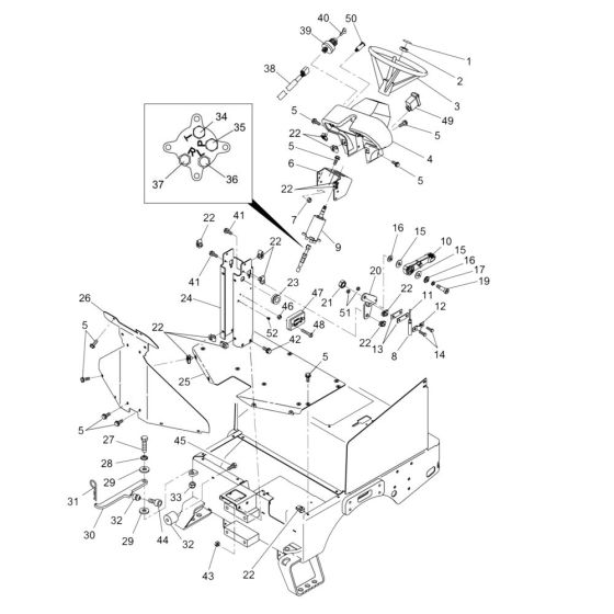
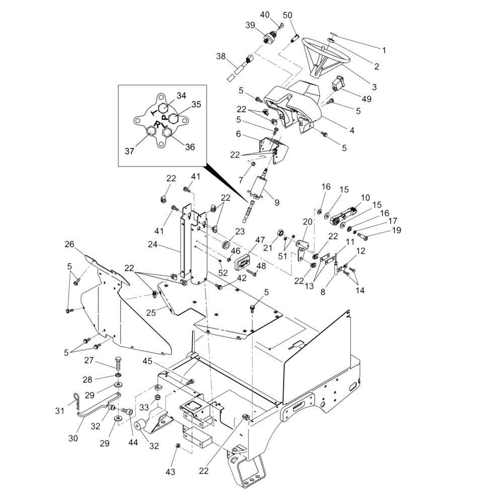
The Steering Assembly for the Wacker RD11 Roller is essential for maintaining precise control and manoeuvrability. This assembly includes components such as steering wheels, linkages, and hydraulic parts, ensuring smooth operation and reliability. Designed for the Wacker Neuson Tandem Roller, it supports efficient performance in construction and roadwork applications.
Reviews
Add a review
Write Your Own Review
Ask a Question
Customer Questions

