Description
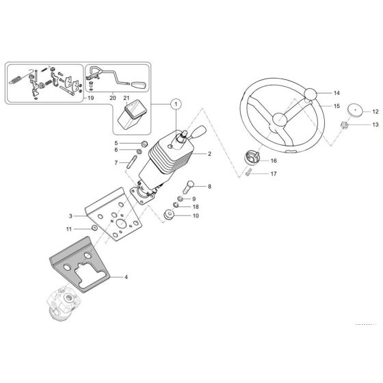
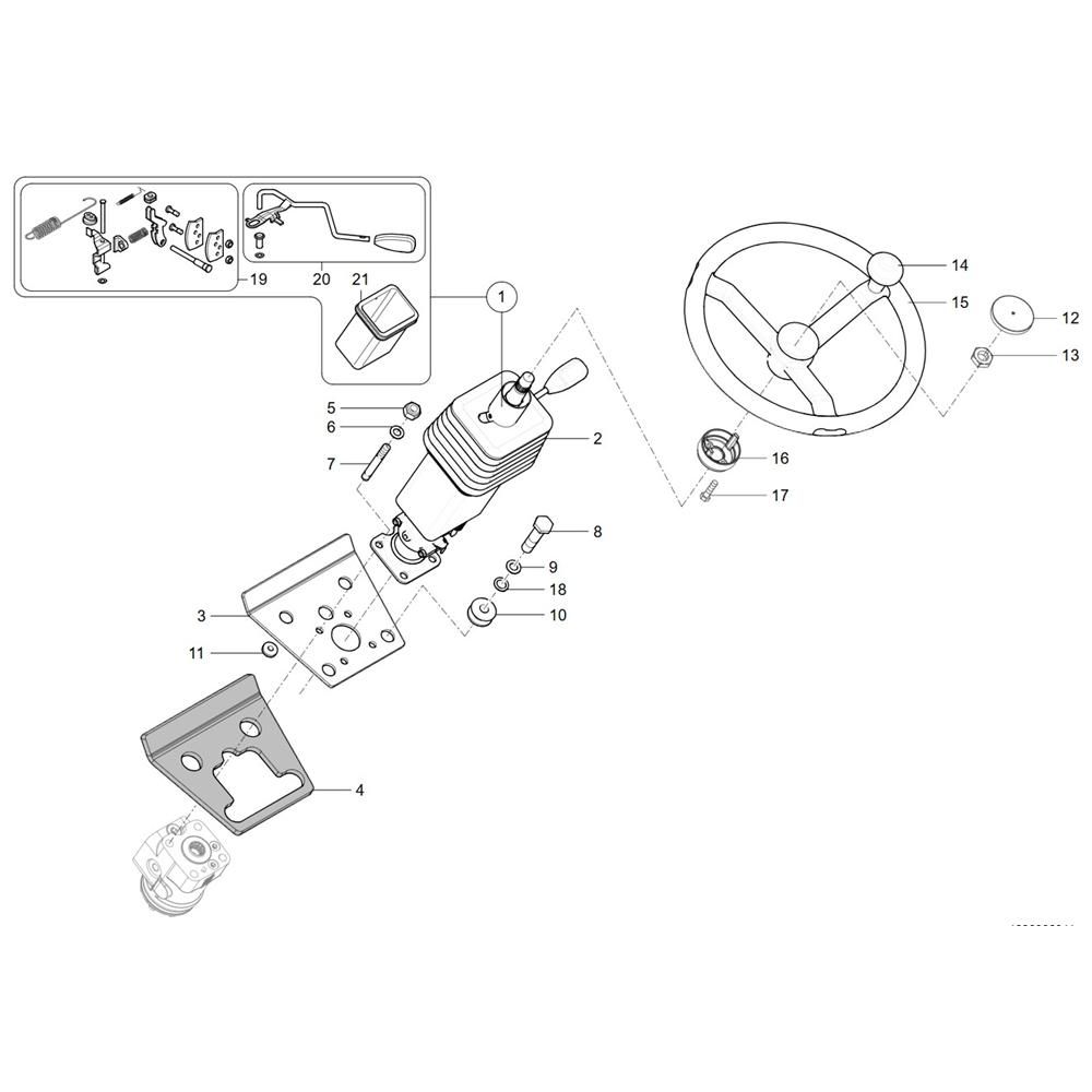
The Steering Column Assembly for the Wacker TH730 (415-04) Telehandler is crucial for precise control and manoeuvrability. This assembly includes components such as the steering shaft, universal joints, and column switches, ensuring reliable operation. Designed for the Wacker Neuson Telehandler, it supports efficient handling and safety during operation.
Reviews
Add a review
Write Your Own Review
Ask a Question
Customer Questions

