Description
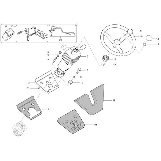
The Steering Column Assembly for the Wacker TH730 (415-24) Telehandler is crucial for precise control and manoeuvrability. This assembly includes components such as the steering shaft, universal joints, and bearings, ensuring smooth operation and reliability. Designed for the Wacker Neuson Telehandler, it supports efficient handling and enhances operator comfort. Regular maintenance of these parts is essential for optimal performance and safety.
Reviews
Add a review
Write Your Own Review
Ask a Question
Customer Questions

