Description
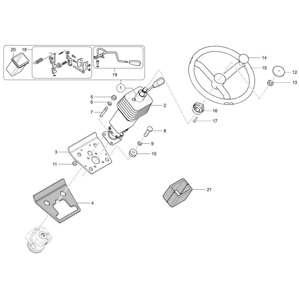
The Steering Column Assembly for the Wacker TH730 (415-34) Telehandler is designed to ensure precise control and handling. This assembly includes components such as the steering shaft, universal joints, and column switches, which are crucial for the telehandler's steering system. Genuine Wacker Neuson parts ensure compatibility and reliability, maintaining the machine's performance and safety standards.
Reviews
Add a review
Write Your Own Review
Ask a Question
Customer Questions

