Description
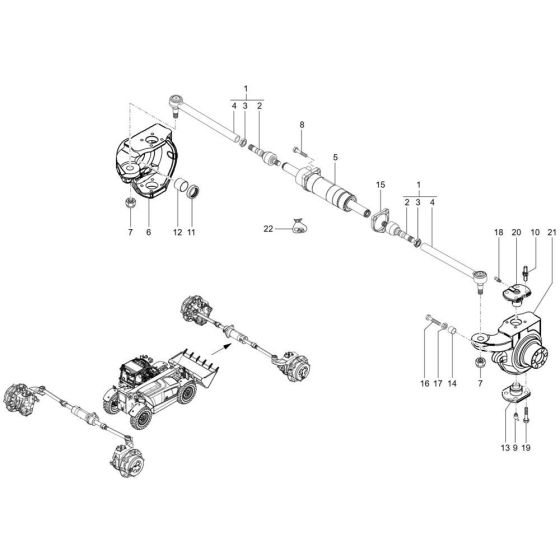
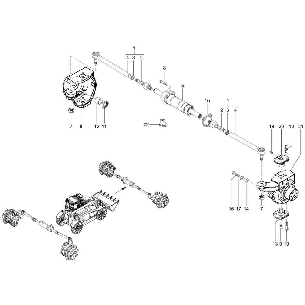
The Steering Cylinder Assembly for the Wacker TH627 Telehandler is crucial for precise manoeuvrability and control. This assembly includes components such as pistons, seals, and rods, ensuring smooth steering operations. Designed to fit the Wacker Neuson Telehandler, it helps maintain optimal performance and reliability in demanding environments.
Reviews
Add a review
Write Your Own Review
Ask a Question
Customer Questions

