Description
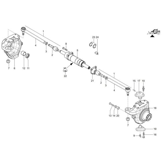
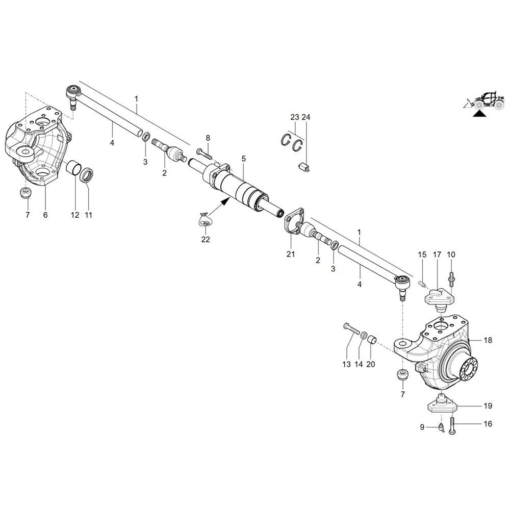
The Steering Cylinder Assembly for the Wacker TH740 (415-27) Telehandler is crucial for precise handling and manoeuvrability. This assembly includes components such as pistons, seals, and rods, ensuring smooth steering operations. Designed for durability, it helps maintain the telehandler's performance in various working conditions. Genuine Wacker Neuson parts ensure compatibility and reliability.
Reviews
Add a review
Write Your Own Review
Ask a Question
Customer Questions

