Description
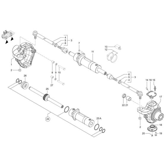
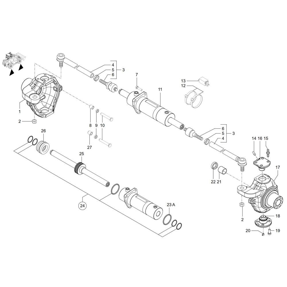
The Steering Cylinder Assembly for the Wacker TH744 (416-22) Telehandler is crucial for maintaining precise steering control and handling. This assembly includes components like seals, rods, and pistons, ensuring smooth operation and reliability. Designed specifically for the Wacker Neuson Telehandler, it supports efficient manoeuvrability and safety during operation.
Reviews
Add a review
Write Your Own Review
Ask a Question
Customer Questions

