Description
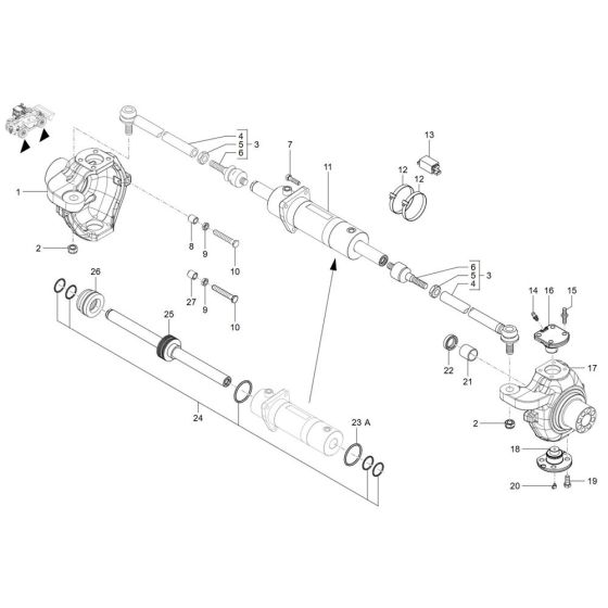
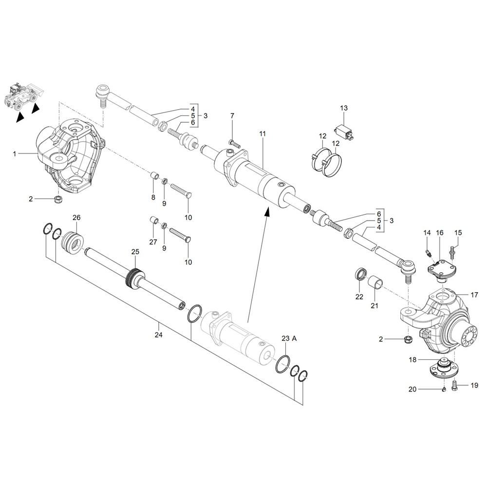
The Steering Cylinder Assembly for the Wacker TH942 Telehandler is crucial for precise handling and manoeuvrability. It includes components such as pistons, seals, and rods, ensuring optimal steering performance. Designed for durability and reliability, this assembly helps maintain the telehandler's efficiency in various operational conditions.
Reviews
Add a review
Write Your Own Review
Ask a Question
Customer Questions

