Description
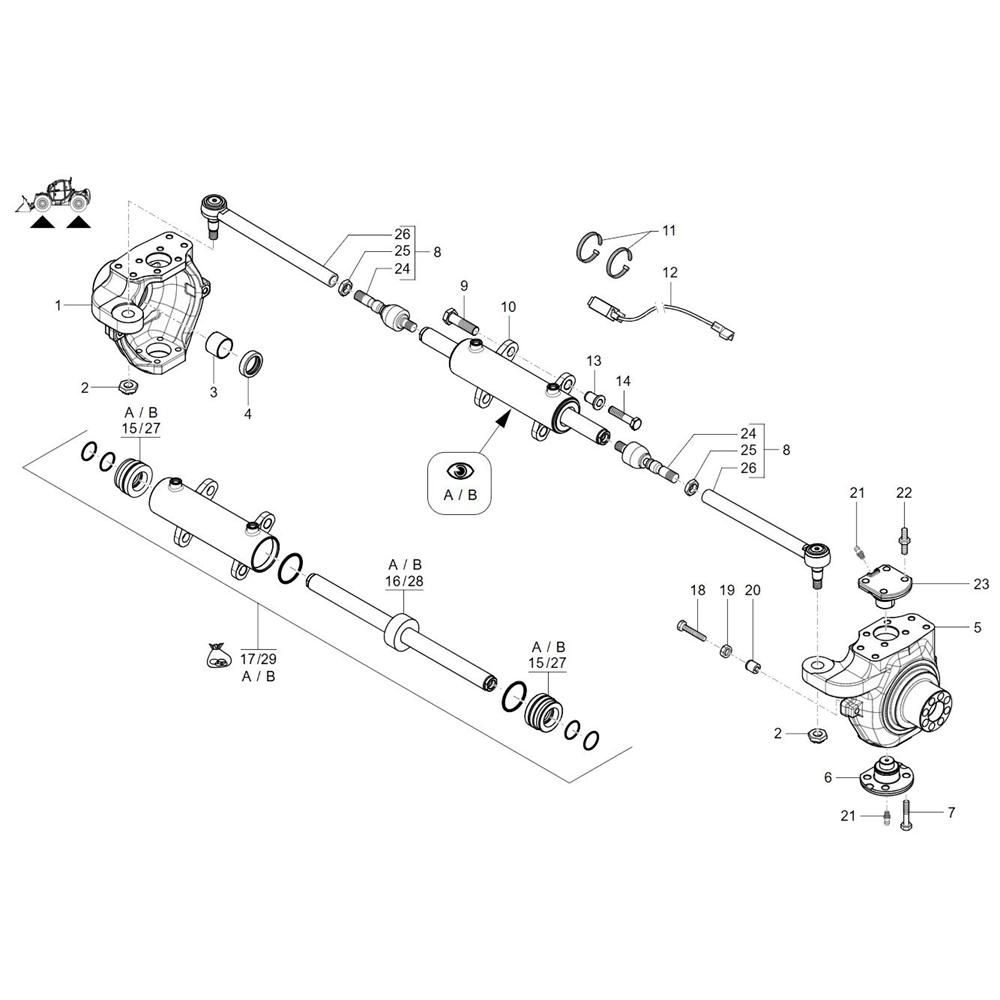
The Steering Cylinder Assembly for the Wacker TH955 (416-26) Telehandler is crucial for precise manoeuvrability and control. This assembly includes components such as pistons, seals, and rods, ensuring smooth steering operations. Designed to fit the Wacker Neuson Telehandler, it supports efficient handling and operational safety. Regular maintenance of these parts helps in prolonging the telehandler's service life.
Reviews
Add a review
Write Your Own Review
Ask a Question
Customer Questions

