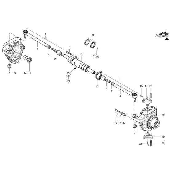
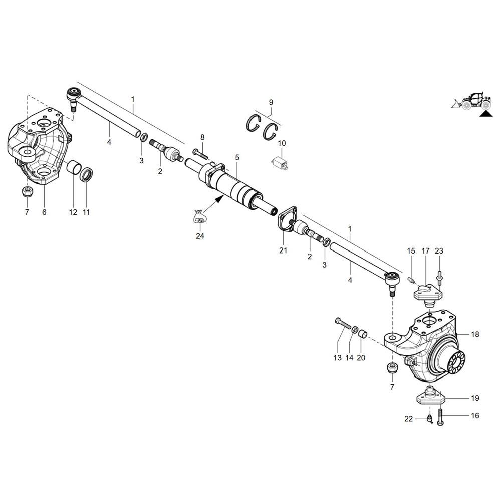
Description
The Steering Cylinder Assembly for the Wacker TH730 (415-24) Telehandler is essential for maintaining precise control and manoeuvrability. This assembly includes key components such as pistons, seals, and rods, ensuring smooth steering operations. Designed for durability and reliability, it supports the telehandler's performance in various working conditions.
Reviews
Add a review
Write Your Own Review
Ask a Question
Customer Questions

