Description
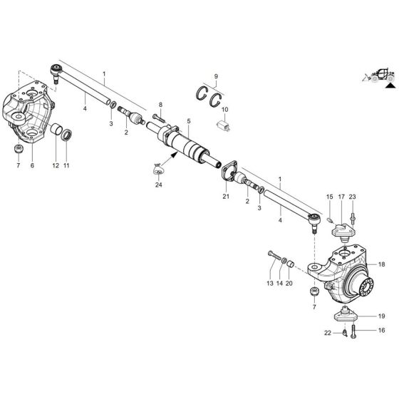
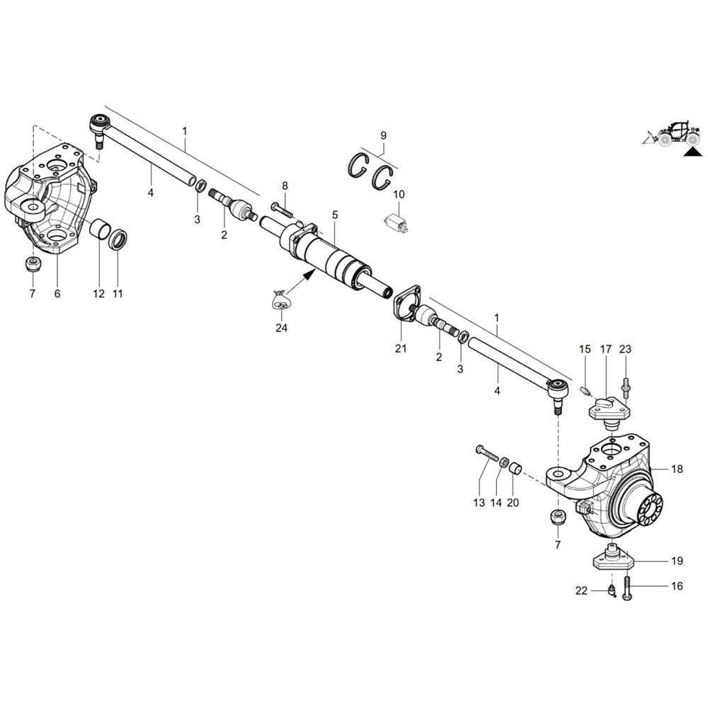
The Steering Cylinder (Rear) Assembly for the Wacker TH730 (415-34) Telehandler is crucial for maintaining precise control and manoeuvrability. This assembly includes components such as seals, rods, and pistons, ensuring smooth steering operations. Designed for durability and reliability, it supports the telehandler's performance in various working conditions.
Reviews
Add a review
Write Your Own Review
Ask a Question
Customer Questions

