Description
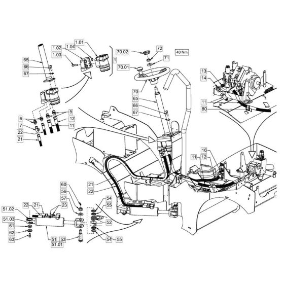
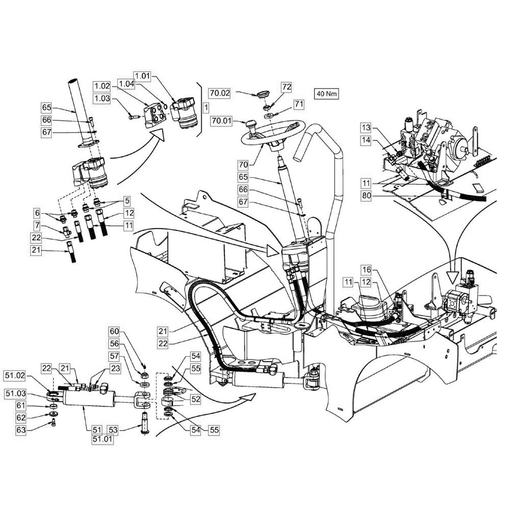
Steering components for the Hamm HD8 - 10C (H170) Compaction Roller ensure precise control and manoeuvrability. Designed for both genuine and non-genuine parts, these components are essential for maintaining optimal performance. Options include steering wheels, columns, and linkages, suitable for various repair and maintenance needs.
Reviews
Add a review
Write Your Own Review
Ask a Question
Customer Questions

