Description
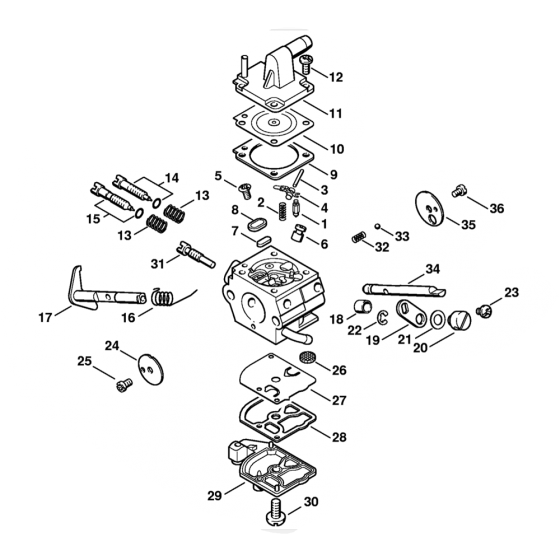
The Stihl FS120, FS200, and FS250 Carburetor C1Q-S35 is designed for optimal performance in brushcutters. It ensures efficient fuel mixing and delivery, maintaining engine reliability. This carburetor assembly includes components such as gaskets, diaphragms, and adjustment screws, essential for smooth operation. Suitable for both genuine and non-genuine parts, it supports routine maintenance and repair tasks.
Reviews
Add a review
Write Your Own Review
Ask a Question
Customer Questions

