Description
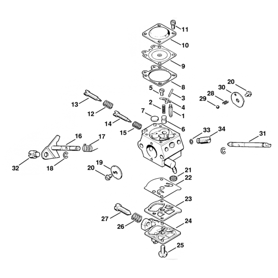
The carburetor for Stihl FS220, FS280, and FS290 brushcutters is essential for optimal engine performance. It mixes air and fuel in the correct ratio to ensure efficient combustion. This assembly includes components like gaskets, diaphragms, and springs, which are crucial for maintaining the machine's reliability. Available in genuine and non-genuine parts to suit various needs.
Reviews
Add a review
Write Your Own Review
Ask a Question
Customer Questions

