Description
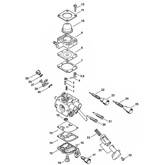
The Stihl FS56 Carburetor is designed for use with FS56, FS56c, FS56r, and FS56rc brushcutters. It ensures optimal fuel and air mixture for efficient engine performance. Available in both genuine and non-genuine parts, this carburetor assembly includes components like gaskets, diaphragms, and adjustment screws to maintain reliable operation.
Reviews
Add a review
Write Your Own Review
Ask a Question (1)
Customer Questions

