Description
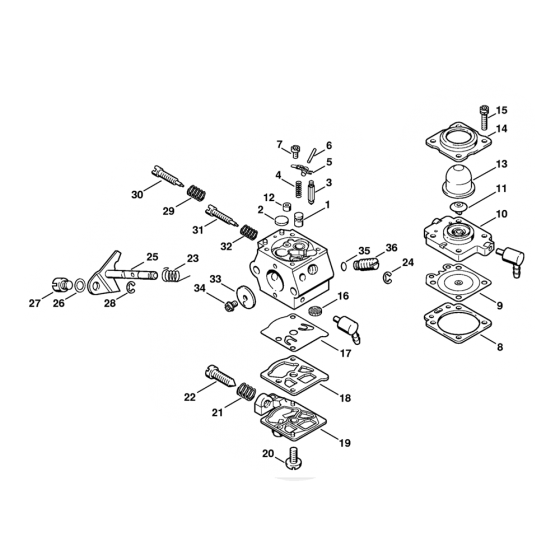
The Stihl FS75 FS80 FS85 Carburetor WT-447 Assembly is designed for optimal performance in brushcutters. It ensures efficient fuel mixing and delivery to the engine, enhancing reliability and power. This assembly includes components such as gaskets, diaphragms, and springs, crucial for maintaining the carburetor's function. Suitable for various Stihl models, it supports both genuine and non-genuine parts.
Reviews
Add a review
Write Your Own Review
Ask a Question (1)
Customer Questions

