Description
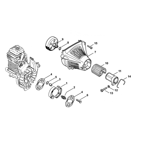
The Stihl FS91 FS91r Clutch Fan Housing Assembly is designed for use with Stihl FS91 and FS91r brushcutters. This assembly plays a crucial role in the operation of the brushcutter, ensuring efficient cooling and clutch engagement. Available in both genuine and non-genuine parts, it includes components such as the fan, clutch, and housing, providing reliable performance and durability.
Reviews
Add a review
Write Your Own Review
Ask a Question
Customer Questions

