Description
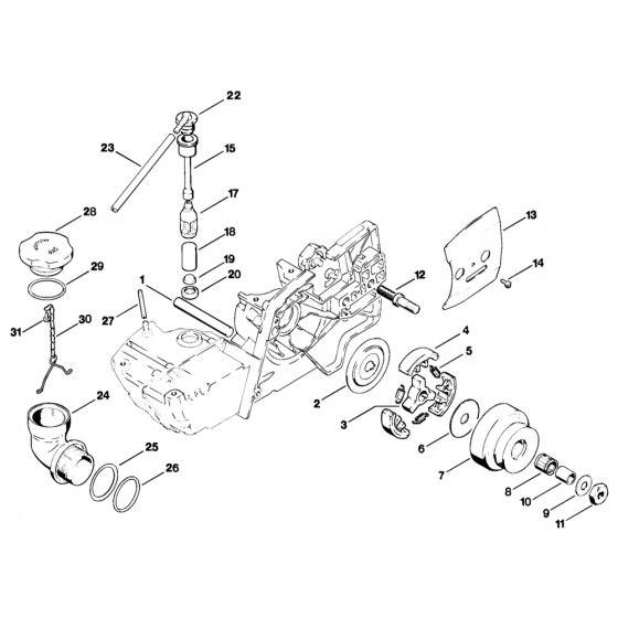
The Stihl TS08 Disc Cutter Clutch and V-belt Pulley assembly includes essential components for maintaining the efficiency of your cut-off saw. This assembly ensures smooth operation by transferring power effectively, reducing wear and tear. Available parts include genuine and non-genuine options, catering to various maintenance needs.
Reviews
Add a review
Write Your Own Review
Ask a Question
Customer Questions

