Description
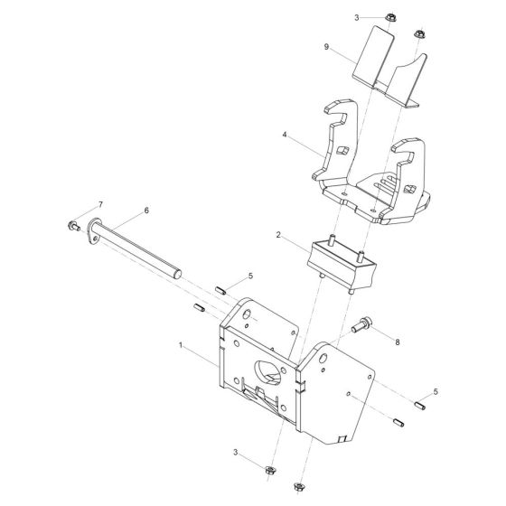
The Support Assembly for the Wacker DPU110 Plate Compactor is essential for maintaining the machine's stability and performance. This assembly includes genuine Wacker Neuson parts designed to ensure optimal operation. Components such as brackets, mounts, and fasteners are included to provide robust support during compaction tasks.
Reviews
Add a review
Write Your Own Review
Ask a Question
Customer Questions

