Description
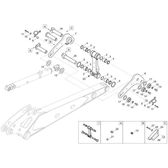
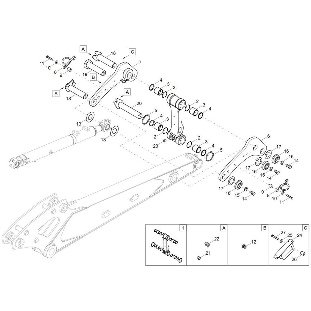
The Support Assembly for the Wacker EW100-2 Excavator is designed to ensure stability and durability during operation. This assembly includes key components such as brackets, mounts, and fasteners, which are crucial for maintaining the structural integrity of the excavator. Genuine Wacker Neuson parts ensure compatibility and reliability, making them ideal for routine maintenance and repairs.
Reviews
Add a review
Write Your Own Review
Ask a Question
Customer Questions

