Description
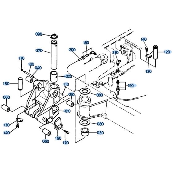
Swing Bracket Assembly for Kubota KH151 Mini Excavator
Genuine Kubota Parts
Genuine Kubota Parts
Reviews
Add a review
Write Your Own Review
Ask a Question
Customer Questions

