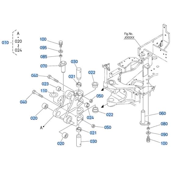
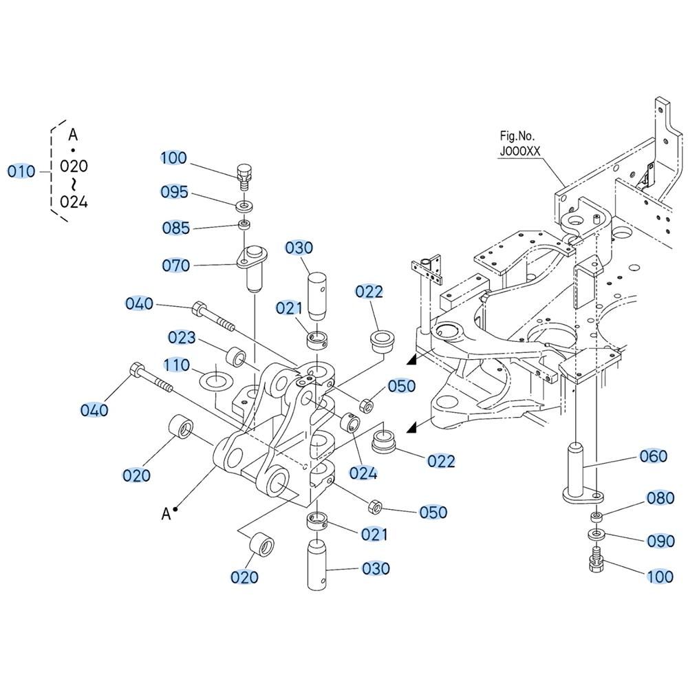
Description
The Swing Bracket Assembly for the Kubota U10-5 Mini Excavator is a crucial component designed to ensure smooth and efficient operation. This assembly includes genuine Kubota parts that contribute to the machine's stability and manoeuvrability. Essential for maintaining the excavator's performance, it typically features brackets, pins, and bushings.
Reviews
Add a review
Write Your Own Review
Ask a Question
Customer Questions

